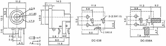
型号:DC-038

技术指标:
使用温度范围 Temperature |
-30~70℃ |
耐压 Withstand Voltage |
AC500V(50Hz)/min |
额定负荷 Rated Load |
DC 30V 0.5A |
插拔力 Actuating Force |
3~20N |
接触电阻 Contact Resistance |
≤0.03Ω |
寿命 Life |
5000次 |
绝缘电阻 Insulation Resistance |
≥100MΩ |
